標準分辨率遠心鏡頭(110MM)武漢XF-T3X110D
- 產品名稱: 武(wu)漢(han)XF-T3X110D
- 產品(pin)分類(lei): 標準分辨率遠心鏡(jing)頭(110MM)
- 公(gong)司(si)名(ming)稱: 煙(yan)臺致瑞圖像技術有限公司
- 添加時間: 23/03/18
- 分(fen) 享:
產品詳情
相關視圖
資料下載
采用物(wu)方(fang)遠心設計,提高(gao)測量精(jing)度(du);
相比同系(xi)列具有更短的(de)o/I距離,大(da)大(da)地豐富了(le)應用場(chang)景;
倍(bei)率從0.3-6倍(bei)均可以覆(fu)蓋,全系列帶(dai)有(you)同(tong)軸(zhou)光源版本(ben);
支持(chi)2/3 英(ying)寸C接口工業相機;
可應用于高精(jing)度(du)特殊工件定位等;
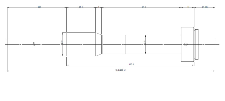
| 芯片類型 | 1/2" |
| 芯片長 | 6.4 |
| 芯片寬 | 4.8 |
| 對角線 | 8 |
| 物(wu)方視野長(chang) | 2.1 |
| 物方視野寬 | 1.6 |
| 鏡頭(tou)總(zong)長(chang)(mm) | 107.6 |
| 最大(da)口徑(mm) | 20 |
| O/I(mm) | 235.1 |
| 鏡頭接(jie)口(kou) | C接口(kou) |
| 光學畸變設計值(%) | 0.13 |
| 分辨力(li)(μm) | 6 |
| 光圈(quan) | F27.1 |
| 景深(mm) | 0.24 |
| 像(xiang)方視野 (mm) | 8 |
| 遠心(xin)設計值 (°) | 0.105 |
| 物(wu)方視野φ (mm) | 2.7 |
| 工(gong)作距離(li) (mm) | 110 |
| 光(guang)學結構 | 物方遠心 |
| 倍率(lv) (X) | 3 |
以上是關于Tags:武漢XF-T3X110D廠家,武漢XF-T3X110D哪家好,武漢XF-T3X110D價格的詳細介紹
地區產品: 上海XF-T3X110D,武漢XF-T3X110D,鄭州XF-T3X110D,北京XF-T3X110D,天津XF-T3X110D,沈陽XF-T3X110D,西安XF-T3X110D,山東XF-T3X110D,河北XF-T3X110D,大連XF-T3X110D。
地區產品: 上海XF-T3X110D,武漢XF-T3X110D,鄭州XF-T3X110D,北京XF-T3X110D,天津XF-T3X110D,沈陽XF-T3X110D,西安XF-T3X110D,山東XF-T3X110D,河北XF-T3X110D,大連XF-T3X110D。
點擊次數: 更新時間:23/03/18 16:13:03












