標準分辨率遠心鏡頭(110MM)山東XF-T4X110D
- 產(chan)品(pin)名(ming)稱: 山東(dong)XF-T4X110D
- 產品分類: 標準分辨(bian)率遠心鏡頭(110MM)
- 公司名稱: 煙臺致(zhi)瑞圖(tu)像(xiang)技(ji)術(shu)有(you)限公(gong)司
- 添(tian)加時間: 23/03/18
- 分 享:
產品詳情
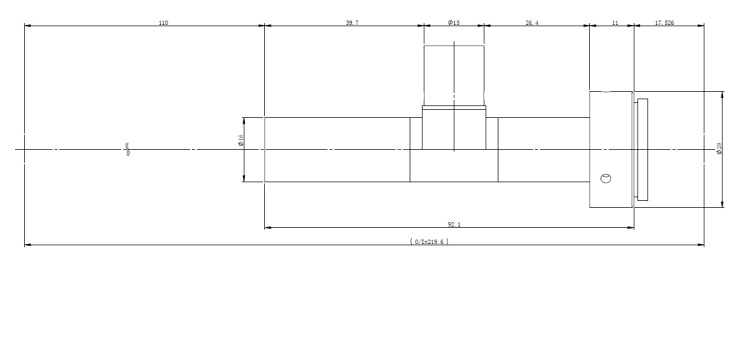
相關視圖
資料下載
采用(yong)物(wu)方遠心設計(ji),提高測量精度;
相比同(tong)系列(lie)具有更短的o/I距離,大(da)大(da)地(di)豐富了應(ying)用場景;
倍率(lv)從0.3-6倍均可以(yi)覆蓋,全系列帶有(you)同軸光源(yuan)版(ban)本;
支持2/3 英寸(cun)C接口工業相機;
可應(ying)用于高精度特殊工件定(ding)位(wei)等;
| 芯(xin)片類型 | 1/2 |
| 芯片長 | 6.4 |
| 芯片寬 | 4.8 |
| 對角線 | 8 |
| 物(wu)方(fang)視野長 | 1.6 |
| 物方視野(ye)寬 | 1.2 |
| 鏡頭總長(mm) | 92.1 |
| 最(zui)大口徑(mm) | 16 |
| O/I(mm) | 219.6 |
| 鏡頭(tou)接口 | C接(jie)口 |
| 光學畸變設計值(%) | 0.3 |
| 分辨力(li)(μm) | 7.3 |
| 光圈 | F44.1 |
| 景深(shen)(mm) | 0.22 |
| 像方視野(ye) (mm) | 8 |
| 遠心設計值 (°) | 0.001 |
| 物方視野φ (mm) | 2 |
| 工作距離 (mm) | 110 |
| 光學結構 | 物方遠心 |
| 倍率 (X) | 4 |
以上是關于Tags:山東XF-T4X110D廠家,山東XF-T4X110D哪家好,山東XF-T4X110D價格的詳細介紹
地區產品: 上海XF-T4X110D,武漢XF-T4X110D,鄭州XF-T4X110D,北京XF-T4X110D,天津XF-T4X110D,沈陽XF-T4X110D,西安XF-T4X110D,山東XF-T4X110D,河北XF-T4X110D,大連XF-T4X110D。
地區產品: 上海XF-T4X110D,武漢XF-T4X110D,鄭州XF-T4X110D,北京XF-T4X110D,天津XF-T4X110D,沈陽XF-T4X110D,西安XF-T4X110D,山東XF-T4X110D,河北XF-T4X110D,大連XF-T4X110D。
點擊次數: 更新時間:23/03/18 15:22:03












