標準分辨率遠心鏡頭(110MM)沈陽XF-T2X110D
- 產品名稱: 沈陽XF-T2X110D
- 產品(pin)分類: 標準分辨率遠(yuan)心鏡(jing)頭(110MM)
- 公(gong)司名稱: 煙臺致瑞圖像(xiang)技(ji)術有(you)限(xian)公司
- 添加(jia)時間: 23/03/18
- 分 享:
產品詳情
相關視圖
資料下載
采用物方遠(yuan)心設(she)計,提高(gao)測量精度;
相比同系(xi)列具有更短的(de)o/I距離,大(da)大(da)地豐富了應用場景;
倍率從0.3-6倍均可以(yi)覆蓋,全系列(lie)帶有(you)同軸(zhou)光源版本;
支持2/3 英寸C接(jie)口工業相機;
可(ke)應(ying)用于(yu)高精度特殊工(gong)件定(ding)位等;
| 芯(xin)片類型 | 1/2" |
| 芯片長 | 6.4 |
| 芯片(pian)寬 | 4.8 |
| 對角線 | 8 |
| 物(wu)方視(shi)野長 | 3.2 |
| 物方視野寬 | 2.4 |
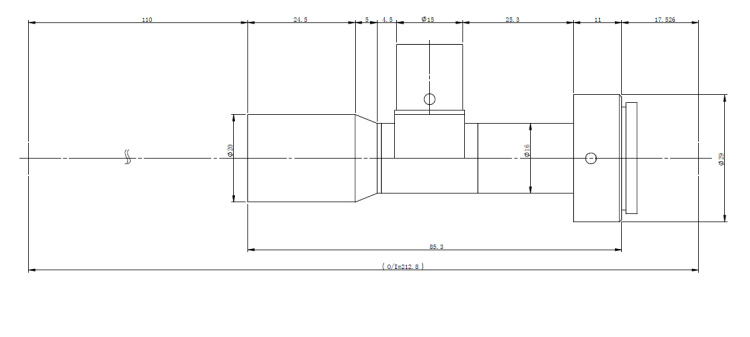
| 鏡頭總長(mm) | 85.3 |
| 最大口徑(mm) | 20 |
| O/I(mm) | 212.8 |
| 鏡頭接口 | C接(jie)口(kou) |
| 光(guang)學畸變設計值(zhi)(%) | 0.3 |
| 分辨(bian)力(μm) | 7.3 |
| 光圈 | F22.2 |
| 景深(mm) | 0.5 |
| 像(xiang)方視野 (mm) | 8 |
| 遠心(xin)設計值 (°) | 0.159 |
| 物(wu)方視野φ (mm) | 4 |
| 工作距離(li) (mm) | 110 |
| 光(guang)學結構(gou) | 物方(fang)遠(yuan)心 |
| 倍率 (X) | 2 |
以上是關于Tags:沈陽XF-T2X110D廠家,沈陽XF-T2X110D哪家好,沈陽XF-T2X110D價格的詳細介紹
地區產品: 上海XF-T2X110D,武漢XF-T2X110D,鄭州XF-T2X110D,北京XF-T2X110D,天津XF-T2X110D,沈陽XF-T2X110D,西安XF-T2X110D,山東XF-T2X110D,河北XF-T2X110D,大連XF-T2X110D。
地區產品: 上海XF-T2X110D,武漢XF-T2X110D,鄭州XF-T2X110D,北京XF-T2X110D,天津XF-T2X110D,沈陽XF-T2X110D,西安XF-T2X110D,山東XF-T2X110D,河北XF-T2X110D,大連XF-T2X110D。
點擊次數: 更新時間:23/03/18 16:18:03












