高分辨率遠心鏡頭(110MM)XF-MT1.5X110B
- 產品名稱: XF-MT1.5X110B
- 產品分類: 高分辨率遠心鏡頭(110MM)
- 公司名稱: 煙臺致瑞圖像技術有限公司
- 添加時間: 23/03/20
- 分 享:
產品詳情
相關視圖
資料下載
采用物方遠心設計,提高測量精度;
相比同系列具有更短的o/I距離,大大地豐富了應用場景;
倍率從0.5-6倍均可以覆蓋,全系列帶有同軸光源版本;
支持2/3 英寸C接口工業相機;
可應用于高精度特殊工件定位等;
| 芯片類型 | 2/3 |
| 芯片長 | 8.45 |
| 芯片寬 | 7.07 |
| 對角線 | 11 |
| 物方視野長 | 5.6 |
| 物方視野寬 | 4.7 |
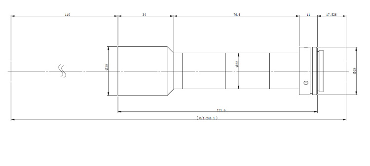
| 鏡頭總長(mm) | 121.6 |
| 最大口徑(mm) | 30 |
| O/I(mm) | 249.1 |
| 鏡頭接口 | C接口 |
| 光學畸變設計值(%) | 0.023 |
| 分辨力(μm) | 5.2 |
| 光圈 | F11.8 |
| 景深(mm) | 0.59 |
| 像方視野 (mm) | 11 |
| 遠心設計值 (°) | 0.15 |
| 物方視野φ (mm) | 7.3 |
| 工作距離 (mm) | 110 |
| 光學結構 | 物方遠心 |
| 倍率 (X) | 1.5 |
以上是關于Tags:XF-MT1.5X110B廠家,XF-MT1.5X110B哪家好,XF-MT1.5X110B價格的詳細介紹
地區產品: 上海XF-MT1.5X110B,武漢XF-MT1.5X110B,鄭州XF-MT1.5X110B,北京XF-MT1.5X110B,天津XF-MT1.5X110B,沈陽XF-MT1.5X110B,西安XF-MT1.5X110B,山東XF-MT1.5X110B,河北XF-MT1.5X110B,大連XF-MT1.5X110B。
地區產品: 上海XF-MT1.5X110B,武漢XF-MT1.5X110B,鄭州XF-MT1.5X110B,北京XF-MT1.5X110B,天津XF-MT1.5X110B,沈陽XF-MT1.5X110B,西安XF-MT1.5X110B,山東XF-MT1.5X110B,河北XF-MT1.5X110B,大連XF-MT1.5X110B。
點擊次數: 更新時間:23/03/20 16:10:03












